Farnsworth Model GT-051 Bakelite Radio (1948)

     

         Schematic

"Black Beauty" is my nickname for this classy Bakelite set. Sporting a dramatic, assymetrical design, with deep wraparound louvers and a bullet-like profile, it's a great example of 1940s Streamline design. Definitely a keeper, in other words! I'm restoring the electronics of this radio as well as the cabinet, so let's look at some highlights of each process.

Cabinet Restoration

This radio came from the factory with an ivory paint job. By the time I got my hands on it, though, the paint was deeply chipped in many places. After spending some time trying to smooth out the chipped spots, many of which were on the delicate edges of the louvers, I gave up and removed the paint with a chemical stripper. I don't normally resort to such drastic measures, but the original paint simply wasn't salvageable.

Before removing the old paint, I brought the cabinet to an auto parts store and found a can of spray paint that looks like a great color match. When it's time to repaint, I'll have exactly what I need. I also carefully masked the bottom to preserve the original paper labels. I first taped a layer of plastic over the labels, using blue "painter's" masking tape, then covered that layer entirely with a second layer of tape.

Stripping the cabinet took a couple of hours. I worked outdoors on our deck, using a brush-on liquid stripper. From aluminum foil, I formed a temporary container about the size of a cakepan to catch the excess stripper and old paint. Most of the paint brushed off after softening, but a few areas required some careful scraping. For the flattish areas, I used an old putty knife that once belonged to my grandfather. For close crannies and details such as the raised Farnsworth lettering, I used various smaller tools, including toothpicks and a straight pin. Click the thumbnail images to get a closer view of the process.

  

As the paint came off, I was a little surprised to see jet-black Bakelite underneath, rather than the more common brown stuff. Once stripped, the cabinet required only a little polishing to bring out a nice, even gloss.

The cabinet looks so nice in this state that it's a little hard to think of covering it with paint again! I would probably leave it unpainted forever, but, as you can see, the ivory knobs don't make a good match with this cabinet color. I'll probably leave it this way for a while, but eventually spray on the original ivory color, to make the set more authentic.

Electronic Restoration

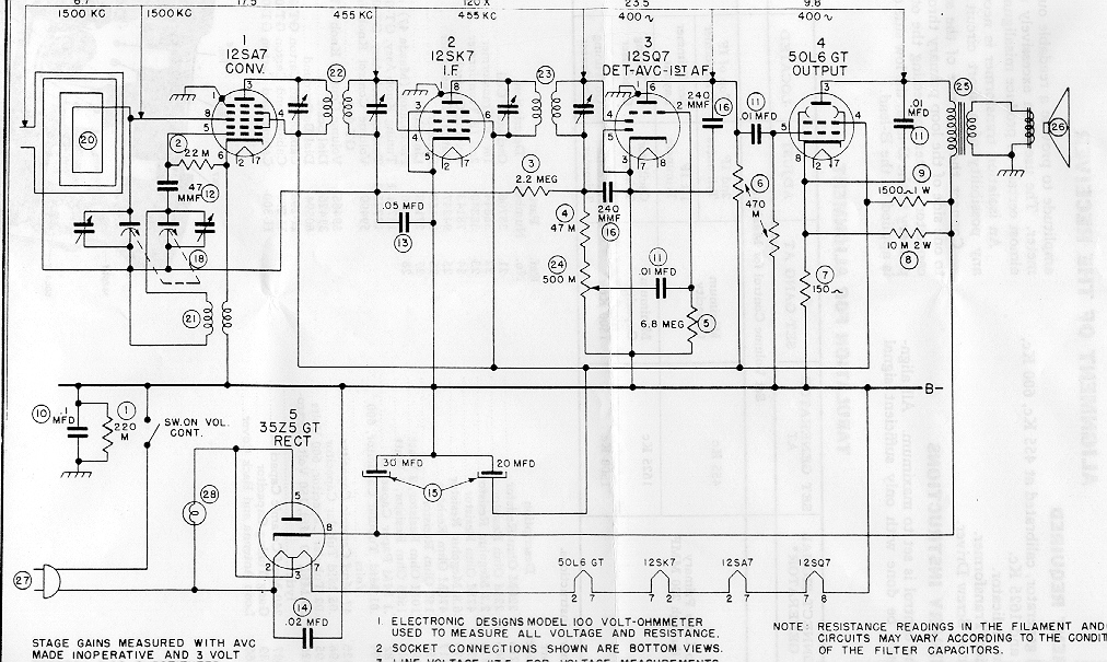
Inside the distinctive cabinet is a very conventional five-tube AM receiver (see Schematic). As found, the radio emitted only a loud, low hum, unaffected by either the volume control or the tuner. It's working just great now, but the story of how I found the problem is a bit of a twisted tale.

Electronics, Day One

Loud hums usually point to problems in the power supply, most often bad filter capacitors, so my first step was to replace the old two-section filter capacitor with two modern electrolytics. That treatment alone will bring many an old hummer back to life. As long as I had the set on the workbench, I replaced all the other old paper capacitors, too. Click on the images below to see the chassis before and after the replacements.

  

Starting with the old filter capacitor, I used a Dremel Moto-Tool to carefully cut the metal band that held it to the chassis. This allowed easy removal of the old unit without destroying the band, which is riveted to the chassis. Some times this band is mounted with a screw, which makes things a little simpler. The old metal band provided a handy place to route one of the replacements, so I left it in place for that purpose.

Some finicky restorers conceal the new capacitors inside the old paper tubes, making the replacement look more authentic. I have done that on occasion, but these new filters were too big to fit, so I didn't bother with that nicety. The radio will work exactly the same, no matter what it looks like under the covers!

One area where I do take care, however, is in soldering the replacements. Some times you may see a sloppily repaired set, in which the old capacitor leads were simply snipped off at the case end, and new capacitor leads crudely attached to the old ones. This is a bad idea for several reasons. Most importantly, it relies on an old connection which might be bad. If the old connection was shorted against something, or had a "cold solder" joint, etc., then your new component will inherit that problem.

It's better practice to remove the old lead completely from the terminal and install the new lead exactly like the original. This takes more time, since you have to heat the old connection, suck or brush away the excess solder as needed, snip and/or twist the old lead to get it out, crimp on the new lead so that it makes a tight mechanical connection, and finally solder it in place. That sounds harder than it is in practice. After you've done it a few times, installing the new component takes only a couple of minutes.

The big filter capacitors must be electrolytics, which have a positive and negative end. It's important to connect electrolytics the right way. If you don't, they'll fry and your radio won't work. The smaller capacitors were replaced with Sprague "orange drops." Polarity is generally not critical when replacing these guys.

Electronics, Day Two

The hum still continued after the capacitor treatment, however. When I resumed work the next evening, I double-checked my work to make sure that I hadn't accidentally reversed polarity on the new filter capacitors or made some other silly mistake.

Seeing nothing obviously amiss, I turned my attention to the GT-051 schematic, which had arrived in that day's mail. The schematic instantly revealed something that hadn't been obvious before: the location of the power resistor in the power supply circuit. It is labeled with number 9 in the schematic, spec'd at 1500 ohms and 1 watt. You will often find the power resistor near the filter capacitors, but in this case it's buried in the upper right corner of the chassis. You can't see it at all in the photos, but believe me, folks, it's there!

The power resistor is connected directly from pin 4 of the 50L6GT audio output tube to pin 8 of the 35Z5GT rectifier tube. If this resistor shorts or loses resistance, it will pass unfiltered AC current into the audio tube. Another potential hum-generator is resistor 8, shown directly below 9 in the schematic. This 10,000-ohm, 2-watt resistor connects pin 8 of the audio output tube to pin 8 of the rectifier. (In schematics of this vintage, M stands for thousands, not millions. So, the 10 M label by R8 means ten thousand ohms, not ten megohms. Elsewhere on the schematic, you can see MEG used to represent millions.)

I'll replace both resistors as soon as a fresh supply of spares arrives in the mail. Resistor R9 has a somewhat overheated look, and it is actually a 1400-ohm unit, according to its color coding, not 1500 ohms as specified in the schematic. Perhaps a previous repairman substituted a "close-enough" component because that's all he had on hand. In any case, bringing the radio back to spec shouldn't do any harm.

While waiting for my next parts shipment, I'll double-check the values of all the small capacitors against the schematic. None of their values looked outlandish when I was working, but it never hurts to check. Any tube radio that was used regularly probably had a few paper capacitors replaced in the past, and old-time repairmen were human, just like us.

Electronics, Day Three

The next morning, I traded a little mail with Walter Heskes, the designer of this website's construction projects and an experienced repairman. Looking at the schematic, which I had already posted on the site, he also recommended checking resistor R6, the 470K unit running from pin 5 of the 50L6GT audio tube to the radio's B- line.

That evening, a check of my capacitor replacements revealed no mistakes, so I resumed the search for the original cause of the hum. With the kids safely tucked in bed, I first made a very close examination of every connection and wire under the chassis. Perhaps I, or some previous repairman, had accidentally dripped solder somewhere, or nudged a wire out of position so that it shorted against the chassis or another connection.

Finding no obvious shorts, I also used my multimeter to check for continuity between a number of connecting points. Some times a wire may be cracked inside its insulation, so that it doesn't conduct properly, although it looks fine from the outside. Sloppy soldering can also result in a "cold solder" joint that doesn't work electronically.

This check revealed more good news, of a sort. The radio has many working connections and excellent solder joints. The bad news is that it still hums like crazy!

Power resistor R9 was previously tagged as a potential trouble source, so I removed it from the chassis and tested its value with the multimeter. The reading was 1.8K, somewhat higher than wanted, but not so far off that it could be causing the hum. Nevertheless, just to eliminate it from the equation, I formed a temporary replacement by soldering two 3.3K, 1/2-watt resistors in parallel, and putting that back in the circuit. (Wiring two resistors in parallel halves the resistance value and doubles the wattage, so the test unit's value is 1.6K at 1 watt.)

Still no change, although I noted that the replacement resistor got very hot when under full power. It wasn't going up in smoke, but it was hot enough to burn your finger, indicating that it would probably melt down eventually. The power resistor wasn't causing the hum, but there's definitely something haywire in the power supply.

I also unsoldered and checked the values of R6, R7, and a few other resistors. One or two had drifted a bit in value, but none had failed to the point where it could cause this gross problem.

The audio output transformer, labeled 23 in the schematic, plays a role in the power supply as well as audio output. These are cheap items, and I had one on hand, so, "out with the bad, in with the good." Now the radio has a nice, new transformer, but it still hums.

You might wonder why I replaced the old transformer instead of simply testing it. Well, by the time you have unsoldered the old leads, it's approximately the same amount of work to install a new one or reconnect the old one. I plan to use this radio, not merely display it, so popping in fresh components wherever convenient is not a bad thing to do. And I'll save the old transformer for a future project or emergency replacement.

All right, it's time to get serious. This evening, I'm going to measure the voltage at every pin of every tube, writing down each value for later comparison against the values given on the schematic.

Before measuring voltages, however, I decided to check the tubes. I had previously done a quick substitution test, replacing the tubes in the radio with known good tubes of the same type. That test showed that the hum wasn't caused solely by a tube defect, but it didn't tell me much about the old tubes themselves.

Quickly reading the labels on various radios in the house, I found an RCA Model 8-X-541 that uses exactly the same tubes. It took only a few minutes to pop the tubes out of the Farnsworth, substitute them in the RCA, and confirm that every one worked fine. You can check tubes with a tube tester, of course, but many repairmen feel the best test of all is whether a tube performs well in an actual radio.

Reinstalling the old tubes in the same sockets was easy, because a previous owner had thoughtfully written down the tube numbers in pencil next to each socket in the chassis. (In hindsight, this was a critical moment in our quest for the cause of hum, but I paid very little attention, already thinking ahead to the next step.)

On to the tube voltage measurements. We know that all of the tubes are good, so any pecularities in voltage readings should help to identify problems in other components. The schematic says that voltages must be measured using an input voltage of 117.5 volts. I have a variac (variable transformer) that's ideal for providing a precise line voltage. Using my multimeter to double-check the variac's output, I set it to exactly 117.5 volts before plugging in the radio.

To take voltage measurements, I clipped the multimeter's negative probe to the B- line on the radio. On many radios, including this one, the chassis is not at the same potential as the B- line, so it's important to take voltage readings from B- rather than the chassis itself.

Taking measurements from a live radio chassis should be done with great caution. For safety's sake, you should never touch your fingers to any part of the radio while under power. In fact, it's best to do this and other repair operations with the radio plugged into an isolation transformer, to prevent any possibility of a fatal shock. You also need to use care to avoid accidentally shorting connections when you're moving the probe from pin to pin.

The readings verified that something was seriously wrong in the power supply. The 35Z5GT values showed that that the rectifier tube was working decently. But farther down the line, things didn't add up at all. For example, pins 4 and 5 of 12SA7 should read about +84v DC, but the actual reading was 32v DC, less than half the spec'd value. And some other readings were even farther off.

The radio still isn't fixed, but we have a lot more data to work with. I retired for the night, setting aside the chart for more analysis the next day.

Electronics, Day Four

The next morning, I emailed the voltage readings to Walter Heskes, who immediately noted that the filament voltages did not add up. Here is his reply:

Congrats on the excellent job of documenting the voltages observed throughout this set.

Recall how we like to work our way up from the cellar in these sets; that is,
look at the power supply in the boiler room and see if the furnace is doing its
job.

Well, the first item we checked was the difference of potential between pin 8
of the 12SQ7 and B-. If you look at the diagram, you can see that they should be
at the same value since they are directly connected with no intermediate
components. Indeed, the spec'd value is 0 and you can see why. So, imagine our
surprise when we saw that you read 31 VDC at that point. Whew!! B- is operating
with 31 VDC. No wonder things are messy. Something really is out of whack here.

Working backward through the filament string, each tube should draw the
voltage specified in its name; that is, 12SA7: 12 volts, 12SK7: 12 volts,
50L6: 50 volts. You add backwards as you read voltages upstream of B-.
12 + 12 + 12 + 50 = 86 and, indeed, the specs call for 84 VAC at pin 2 of the 
50L6 with a 50 volt drop across the tube filament. So, your readings on
the 50L6 look okay as they are close to the spec'd values. You could adjust
your variac to obtain exactly 84 volts at pin 2 and repeat your readings,
next time. That would give you a reference value with which you can compare
the downstream readings.

Now, whoa! Look at pin 7 of the 50L6: 28.6 volts. Okay. Fine. But, pin 7
is directly connected to pin 7 of the 12SK7 and the voltages should be exactly
the same at both points. But, look at your readings: 42mVDC at pin 7 of the
12SK7. GAAAHHHHH!!!!!

Please check that wire.

That evening, I sat down at the workbench to thoroughly test the filament path. Starting at pin 7 of the 50L6GT tube, I again checked the wire leading to pin 7 of the next tube for continuity. Still good, just like before. Hey, wait a minute! The schematic says that tube is 12SK7, but I could swear that the number written on top of the chassis was 12SQ7. Turning the radio over, I check the printing on the tube and the number scribbled next to it. Sure enough, both say 12SQ7.

What's going on?!? Uh-oh. A very big, very embarrassing light bulb goes off. Is it possible that somebody mixed up the tubes in this set and then wrote down wrong numbers next to them? Could anybody be that dumb?

Comparing the schematic to the connections seen under the chassis, it took only a few seconds to answer that question. Sure enough, the 12SQ7 was out of place. 12SK7 belonged in the socket labeled 12SQ7, and vice versa.

I reversed the tubes and turned the set on. It worked like a champ! Great sensitivity, nice tone. Nothing wrong at all. I packed up for the night, in a much better mood than the previous evening, but silently cussing out the anonymous "repairman" who had mixed up the tubes.

Electronics, Day Five

In the next day's mail, I got a care package from AES containing some new resistors and other goodies. I installed the new power resistor (R9) and took a moment to erase the scribbled tube numbers from the chassis.

I guess I'll never know exactly how the tubes got swapped. In the end, it doesn't matter. The radio works well now, and in the course of tracking down the problem and exchanging mail with Walter, I got some great advice about diagnosing power supply problems.

I learned an even more basic lesson, too: Assume Nothing! Because tubes are so often found in the right sockets, it's easy assume they must always be so. But it never hurts to check the obvious.

In hindsight, the very first time that I saw the 12SQ7, I should have noticed that it was out of place. In an "All American Five" superheterodyne radio of this type, the intermediate-frequency (IF) amplifier tube (here, 12SK7) must come earlier in the signal path than the detector tube (here, 12SQ7). But when you're focusing on some other problem, it can be easy to mistake the forest for the trees!

Now that this little Farnsworth plays as good as it looks, it has joined the "honor guard" in our home, those few sets that are used and seen (and enjoyed!) every day.

©1995-2025 Philip I. Nelson, all rights reserved