McIntosh Model MC240 Power Amplifier (1965)

        

        

The McIntosh MC240 stereo amplifier is a classic from the golden years of tube audio, a top seller in its time and prized nowadays by collectors and audiophiles.

I bought this amp in 2021, with a companion McIntosh C22 preamplifier.

  

I restored both of them and now they operate as a pair in my workshop, where I spend a lot of time.

MC240, the Celebrity's Choice

Some people consider the McIntosh MC240 the finest power amplifier of its time, period.

What kind of people, you ask? These pics from the McIntosh factory website show who used the MC240 in the 1960s:

  

Yes, that's the legendary Brian Wilson using an MC240 while producing the 1966 Beach Boys album, Pet Sounds. And yes, that's the Woodstock (!!) performance stage in 1969. (Look closely at the Woodstock pic, and you'll see Joe Cocker performing at center stage in his tie-dye shirt and signature laid-back posture.)

Wilson and the Woodstock producers could afford any equipment in the world—and they chose the MC240. Case closed!

I suppose that fictional detectives don't really count, but if you watch the Bosch TV series, you'll see that jazz fan Harry Bosch's stereo setup features an MC240 amp (far right) and a McIntosh MX110 preamplifier:

Joking aside, if you're lucky enough to own an MC240, you're in good company.

Technical Description

Here is the MC240 owner manual, with detailed technical info and operating directions:

The manual gives this basic description:

The MC240 has on one chassis two 40-watt power amplifiers. In addition to use as a stereo amplifier, the flexibility of the MC240 permits it to be used as a monophonic amplifier that delivers 80 watts, or as two separate 40 watt amplifiers with each channel amplifying completely separate programs, or as two amplifiers for use with an electronic crossover network.

This diagram of the MC240 panel shows the input jacks at the right and the speaker terminals near the center:

The mode switch at upper right of the panel flips the amp between its different operating modes: stereo, twin amp, or mono.

Like the vast majority of MC240 owners, I only care about stereo mode. However, the twin amp and mono modes made the MC240 adaptable to institutional and commercial applications such as school intercoms, PA systems, or movie theater audio.

Here are two service manuals: the McIntosh factory manual at left, and Sams on the right:

  

When this article refers to parts inside the amp, I'll use part numbers from the McIntosh factory schematic.

In case you're wondering what makes the MC240 so special, here is a technical description from the owner manual that explains, in the designers' words, what sets it apart from other power amps of the day.

Finding a McIntosh MC240 Amp

In September, 2021, I was contacted by a guy near Chicago whose late father left him the contents of a radio/TV repair shop. He wanted to sell this assortment of old radios, hi-fi gear, and parts.

I gave him my standard advice about how to dispose of such a collection. And I mentioned that I might be interested in vintage McIntosh tube gear, if he had any. He sent back these photos of a 1960s MC240 amp that looked dirty but complete. Other pics showed a C22 preamplifier from the same era, making it a perfect companion.

     

The amount of dirt suggests that this amp sat in a grubby place for a long time. No doubt the chromed chassis has some surface rust under the dirt, but I have seen worse rust in my time, and I never let mere grime get in the way of a good restoration!

We agreed on a price for both items. I contacted the Craters & Freighters shipping company and arranged for them to pick up the units in Illinois, build a crate, and ship it to me in Washington state (at a cost of just under $1,000).

The shipment arrived in a few days. The packers built both items into a heavy double crate, padded with layers of high-density foam. Above, in the "upper story," was the C22 preamp. Below, resting under heavy cross bars, was the MC240 amp.

     

Thanks to a stellar packing job and careful handling, everything arrived intact.

First Look

Let's unwrap the goodies and take a peek! At first glance, my MC240 doesn't look bad:

  

Er, not so pretty here. Popping off the tube cage reveals some serious grime:

  

The chrome chassis is layered with crud, as if the amp was stored in a barn or unheated outbuilding. This dirt comes off easily, as I can tell by rubbing with a moistened finger, but under the dirt is surface rust that won't yield so readily.

McIntosh released three versions of the MC240 (early-middle-late) during its 1961-1969 product lifetime. Two telltale signs identify this as a late-version MC240 from 1965-1969.

First, the tiny holes in the tube cage are round, whereas earlier versions have square vent holes:

Second, the speaker terminal strips are located near the middle of the control panel, rather than the left side, as in earlier versions:

You can read more about MC240 versions at the McIntosh Compendium.

As with many MC240s, the rubber-stamped serial number on the corner of the chassis is worn, but I can see the characters 1-7-G-7-5:

Serial numbers for late-version MC240s have five digits within the range 10G01 to 58G76, and 17G75 falls roughly one-fifth of the way through that range, so I'd guess 1965 as the likely manufacture date.

Before digging into the chassis, I tested all the MC240's tubes. This 6L6 output tube looks strong:

Most of the smaller tubes were also usable, but I'll probably splurge on a new set for this tasty amp, and reserve the usable pulls for use in other projects.

One of the 6L6 output tubes had a broken key on its underside. In this photo, the entire key is broken and lost, leaving only its outline on the tube base:

The key on an octal tube base guarantees correct orientation when you plug in the tube, so that tube pin #1 goes into tube socket #1, and so on. If the key is missing, then you might accidentally insert the tube with a wrong orientation, so that pin #1 could plug into any random socket hole. In such a case, the tube certainly won't work and it might even self-destruct.

Not surprisingly, that tube tested dead, so I borrowed a 6L6 from my Scott 800-B. When I opened up the amp's chassis, I found the missing key fragment, along with a couple of loose nuts from the speaker terminal assembly.

To pull the chassis cover, stand the amp on end, with its power transformer resting on the workbench. That looks precarious, but the weight of the massive transformer keeps it steady. Remove four screws from the bottom and slide off the cover. You don't need to remove the rubber feet.

  

Here's our first look at the MC240 innards. The construction quality is superb, more like military grade than consumer grade: notice the rational layout and super-tidy workmanship. The jumbo phenolic board holds capacitors on one side, resistors on the other—what could be more logical?

     

A second, smaller phenolic board holds components for the amp's voltage doubler circuit. This board has two capacitors, two diodes, a selenium rectifier, and a fuse. I'll replace everything but the fuse.

  

The next pic shows the backs of the amp's control panel. I'll apply electronic cleaner to eliminate any pops and scratchiness in these controls. (You can read more about such routine cleaning in my first steps in restoration article.)

The two striped cylinders in that photo are "bumblebee" type paper capacitors. Despite the plastic shells, they are just as unreliable as older-style wax paper caps. I'll replace them, along with every other paper and electrolytic cap in the amp. Recapping is a standard restoration step for every tube device of this vintage, as explained in my recapping article.

Some unrestored tube devices will operate (at least, somewhat) without such recapping. This MC240 was capable of that, in fact, as we'll learn shortly. But it's risky to play the amp in that condition, because old capacitors can fail suddenly, without warning, and damage other "unobtanium" components like the power transformer.

The next photo shows where the two mysterious loose nuts came from. They belong on the ends of screws in the speaker terminal block. Somebody loosened those two screws too much, and their nuts fell off into the chassis compartment.

  

First Trial

Inspecting the innards hadn't revealed any obvious horrors, like broken or missing parts, and I'm itching to try out my amp. But first, I'll clean the the control potentiometers and the mode switch with DeOxit electronic spray. To catch any drips, I stuffed a short length of wadded paper towel under each potentiometer case:

  

I spritzed a little cleaner into an opening in each case and worked the control all the way back and forth a bunch of times. The exposed contacts on the mode switch were easier to reach with a Q-tip dabbed in DeOxit.

Now I'll do a controlled trial, using my metered variac to gradually increase the AC line voltage while monitoring how much current the amp draws. The variac is seen behind and slightly to the right of the amp in these photos:

  

Connected to the amp, farther to the right, is the C22 preamplifier that I bought at the same time. I could have tested the MC240 amp in isolation, but it's more fun to try them both at once. At this point, I had also cleaned the controls, etc., on the C22.

The trial results were encouraging! With both units switched on, I gradually turned up the AC voltage on the variac, with an eye on its ammeter. The current consumption was normal and, after a slow warm-up, the amp and preamp played well, with nice fidelity and loads of volume. If I can avoid messing things up during restoration, they should sound even better and play reliably for decades to come.

Rebuilding the MC240 Power Supply

As in all restorations, I'll start by rebuilding the power supply. Everything else in the amp depends on the p-s, and after this section has been made safe to use, I can confidently power up the MC240 for periodic testing while I replace more numerous components in the amp's signal path.

For this phase, I bought a MC240 power-supply kit from CTech Electronics. The kit, shown in this photo, includes four new can electrolytics, plus eight smaller components used in the small voltage doubler board.

Of course, you could order equivalent parts on your own (see my recapping article), but it's handy to get custom cans that are drop-in replacements for the originals.

Let's start with this can, which contains a single 250-mfd capacitor rated for 275 volts:

The first step is to unsolder and detach all the wires connected to the old can, a job that's aided by two little tools: a dental pick with a curved point and a solder sucker with a rubber bulb:

  

One by one, I detached the leads and set aside the parts, like the little red wire, that can be reused. That striped bumblebee capacitor will be replaced.

  

In this particular can, its metal case is electrically connected to the chassis. The connection is made through metal mounting tabs that are twisted in their slots to make a firm physical connection and then soldered directly to the chassis.

Using my solder sucker, I removed the solder from the mounting tabs. Then I twisted each tab back and forth until it broke off. The can will pull out easily after the tabs are freed.

  

I removed the old can by drawing it downward and wiggling to release the old tab stumps. The new can will slip right into the slots.

  

I wiped off some light oxidation from the can's mounting plate. Then, after inserting the new capacitor's tabs in the slots, I could twist the tabs to secure the can in place. You should twist each new tab about one-quarter turn, so that the tab lies perpendicular to the slot.

  

I'll follow the same process for the adjacent capacitor, but notice how it has a tan phenolic insulating wafer to isolate the can from the chassis. The metal can will be at a potential different than the chassis, so it is encased in a cardboard sleeve to prevent accidental shocks.

Before long, this pair of cans is wired up and ready to go.

     

(Minor note: the mounting tabs of the Authenticap brand capacitor were a bit too short to stick up above the thicker phenolic insulator. I fixed that by extending the tabs with small loops of wire sufficient to make firm physical and electrical connections.)

The second pair of cans is trickier, with more wires and components to detach and reattach. I drew a little diagram and labeled the wires as I disconnected each one.

        

The old resistors were close enough in tolerance (less than ±20%) to reuse, but the installation looks neater with new parts and the replacements cost only a few pennies.

Rebuilding the Voltage Doubler

The voltage doubler circuit is mounted on a wee circuit board, as seen earlier. I'll replace everything on the board except the fuse, using parts supplied in the CTech rebuild kit.

You can rebuild this board without removing it completely. Loosen its mounting screws, and there will be enough play in the leads to let you work on it.

One component on the doubler board is a small selenium rectifier, circled below:

When you replace a selenium rectifier with a modern diode (standard practice), the diode often has a lower "forward resistance" than the old unit, causing a rise in the supply voltage. In that case, you add a dropping resistor in series with the diode to bring the voltage back down to spec.

As directed in the rebuild kit, I tried different resistance values until the bias voltage for my output tubes was -46 volts, as specified in the McIntosh service manual.

Finding the right resistor value was aided by the use of a mini potentiometer (see green arrow) supplied with the CTech kit. When you reach the desired voltage, you remove the mini pot and substitute a permanent resistor of the same value. In my case, a dropping resistor of 680 ohms did the trick.

Setting the bias at the right voltage helps to extend the life of your precious output tubes, so don't skip this step.

Replacing the Thermistor

The last step in rebuilding the power supply is to replace the thermistor, which provides a "slow start" when you turn on the amp. In this photo, I'm holding the old thermistor in front of its replacement.

The resistance of the thermistor drops as it heats up, within the first few seconds after you switch on the amp. This moderates the sudden inrush of current, helping to prolong the life of your tubes and other components.

Upgrading the MC240 Signal Path

After I finished the power-supply upgrade, I gave the amp a bench test, checking voltages at a number of spots and comparing them to the service manual. So far, so good! The power supply is healthy and the amp sounds sweet. It should sound even better after I replace the old film capacitors in the signal path.

As we saw earlier, the MC240 has a long board with 16 capacitors on one side and many (okay, 41) resistors on the other. I have seen MC240 restorations where that whole board was pulled out, stripped bare, and repopulated with new caps and resistors and connecting wires. Before going that far, I decided to take a closer look at the resistors, to see if aging had made them drift beyond acceptable original values.

The resistors on that board were in better shape than I hoped. On average, they were within about ±5% of the specified value, well within the standard ±20% tolerance for new resistors. I decided to leave the resistors alone and replace only the caps.

I'm not a believer in audiophoolery, but for once I spent a little extra money on capacitors. Here are the JVX Premium caps that I ordered from JustRadios.

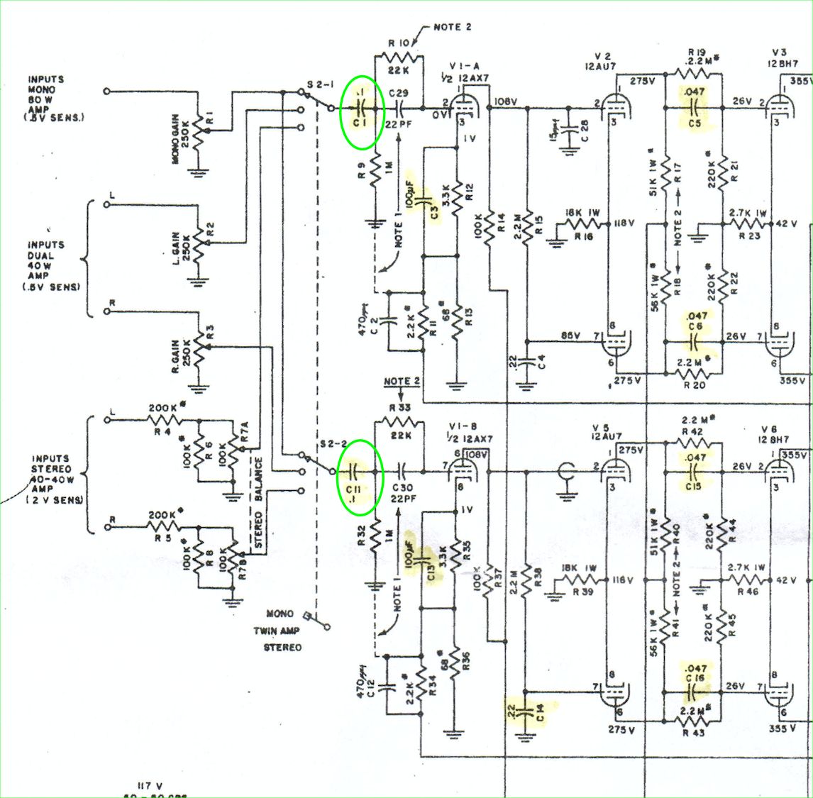
Replacing Coupling Caps C1 and C11

If you had to pick two components vital to the MC240 amplifier, capacitors C1 and C11 would be good choices. They are coupling capacitors that transfer the incoming audio signals to the amplifying circuitry. Every sound this amp will ever make—every note, every chirp, every howl, every fanfare—must pass through these two little parts. The following schematic highlights C1 and C11.

These two caps are mounted right behind the mode switch (part S2-1/S2-2) that passes the signals to them. In this photo, I am holding two new replacement caps in front of the striped bumblebee-style C1 and C11 caps.

It will be easier to replace the caps if you remove two screws from the front of the mode switch. This lets you nudge the switch assembly away from the inside of the chassis, exposing the contacts where the caps connect.

  

The next photo shows the new caps (C1, C11) installed, with the mode switch back in place.

Recapping the Big Board

On to the big board! As seen earlier, the MC240 has a large phenolic board—about a foot in length—holding a bunch of resistors on one side and 16 capacitors on the other.

Although you could replace these caps by pulling the whole board from the chassis, that's not needed unless you're also going to replace all the resistors. Instead, as the following animation shows, you can remove this board's mounting screws and get enough wiggle room to access everything on the capacitor side.

I'll start at the top of the board, where we find a pair of small electrolytic capacitors (C3, C13) rated for 100 mfd at 3 volts. I'll replace them with new 100-mfd caps rated at 10 volts; the higher voltage rating does no harm.

Now I'll move down the board, replacing the old striped caps with my new JVX Premiums. In this photo, I'm about one-third finished:

At last, the job was complete, and my little cheat sheet was finished, as well. The cheat sheet used a photo of the original caps in place, and I wrote down the values of the new caps as I installed them, one by one. My first version of the sheet used part numbers from the Sams schematic; I later added numbers from the McIntosh service manual.

  

When replacing parts en masse, it's prudent to make a record as you go, in case you finish the job and find that you made a mistake. I normally take a digital photo of every replacement and check it off on paper in at least two places (on the schematic and the parts list). Not to mention any extra diagrams created along the way, like my little sketch of the wiring around the electrolytic cans.

If you take on this restoration project, I advise you to make similar records as you work. Another habit of mine is to turn on the amp for a quick operational test between each replacement; if the amp suddenly acts weird, that suggests you just made a wiring mistake!

At this stage, I gave my MC240 a nice, long bench test, and the results were profoundly satisfying. My newly restored amp didn't just sound good—it sent chills down my spine!

Cosmetics

Now, I can turn my attention to cosmetics. My amp, as you'll recall, includes the ventilated tube cage (some MC240s were sold without cages). The cage was in fine physical condition, but it had a few minor scrapes, which I cured by spraying on a fresh coat of heat-resistant matte black paint.

The chrome required more work. Underneath a layer of grime, surface rust had developed.

Naval jelly to the rescue! This product contains phosphoric acid, which is also used (in low concentrations) in Coca-Cola. I have used naval jelly to remove rust from many old chassis, some of them in much worse shape than this one.

The technique is simple. Dab some naval jelly onto the rusted area and let it sit for a while. After the acid has worked, mild surface rust will wipe away with a damp paper towel. If you still have some raised rust spots after the first application, apply some more and repeat the process. Be patient.

In a few stubborn spots, I used the squared-off end of a wooden chopstick to gently loosen remaining spots of surface rust. The idea is to nudge off the rusty bits without scratching the mirror-bright chrome underneath. Don't use sandpaper or other abrasives, which are too harsh for shiny chrome.

In the end, I wouldn't call my chrome perfect, but it passes the "six-foot walk-by test," meaning that a casual observer likely won't notice defects unless you point them out.

Final Thoughts

Here's my restored MC240 amp with and without its cage:

  

The amp looks more dramatic without the cage, but I appreciate having the protection against mishaps.

You might expect this article to end with a rapturous description of the MC240's high-fidelity sound, but I'll try to spare you too many superlatives.

Not only is my MC240 capable of sending chills down my spine, but I find that I'm noticing new details when I listen to familiar old material. Bringing fresh life to old music—what more could a guy ask?

This article tells only half the story of this double restoration project. You can read the rest in my McIntosh C22 preamplifier article.

Enjoy!

Phil

©1995-2021 Philip I. Nelson, all rights reserved